Dschen Reinecke

www.infrarotport.de

[Startseite] [Bauanleitung] [English] [Bauteil-Bestellung] [Produkt-Bestellung] [AGB] [FAQ] [Forum] [Troubleshooting] [Treiber-Seite] [Mainboard-Seiten] [Platinenlayout] [Galerie-Seite] [Links] [Banner-Seite] [Sitemap] [Kontakt]

Computer, Elektronik und Telekommunikation - Handel und Service
Startseite
Bauanleitung
Bestell-Seite
Platinen-Seite
Mainboard-Seite
Sitemap
Kontakt

Dschen Reineckes Infrarotport Galerie


Stand: 03. Mar 2004
Auf dieser Seite präsentiere ich Euch Bilder von verschiedenen gebastelten Infrarotports. Die Bilder sind mir von den Erbauern zugemailt wurden. Wenn Du auch ein Bild hast, dann kannst Du dies mir gerne mailen (galerie@infrarotport.de).
Da ich mittlerweile recht viele Bilder zugeschickt bekommen habe, habe ich diese auf 5 Seiten aufgeteilt:
[Seite1] [Seite2] [Seite3] [Seite4] [Seite5]

Ich danke allen, die mir Bilder geschickt haben.

In ein Modulargehäuse von Conrad hat Stephan Kleemann seinen Infrarotport eingebaut. Er schreibt noch dazu folgende technische Daten:
"Platine: Lochraster mit Lötpunkten
Slotblech: 6 Pol Mini-Din mit Anschlußkabel (Pfostenkupplung musste man umpinnen)
Kabel: 5m (!) hochwertige Audioleitung einzeln abgeschirmt, 6 Adrig."

"Deine Schaltung Funktionierte auf Anhieb, und das auf eine Distanz von um die 4 Meter."

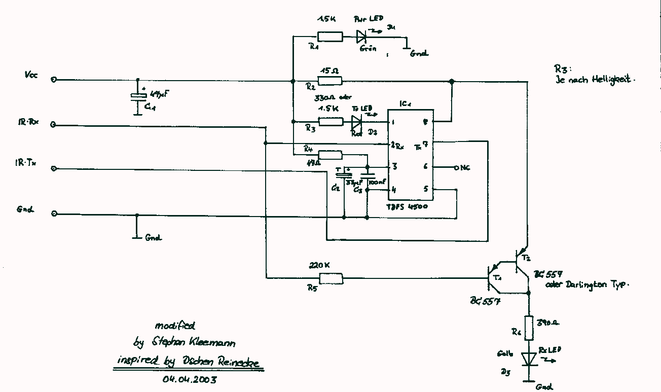
Einen Schaltplan sendet er auch noch mit: "Die beiden Transistoren dienen nur als LED-Treiber. Ich habe sie als PNP-Darlingtonstufe ausgeführt, damit die Schaltung eine hohe Impedanz bekommt, und die LED dennoch heller leuchtet. Man kann auch einen entsprechenden Darlington Typ benutzen, aber ich hatte gerade keinen im Handlager. ;-)
Einige Widerstände und Kondensatoren haben abweichende Werte...
Ansonsten ist es Deine Schaltung."
Den Schltplan in größer: stephan_kleemann3_gross.GIF


Raoul aus Kroatien mailt mit diesen Infrarotport. Er hat sich selber die Platine entworfen und die bauteilwerte etwas verändert.


"Ich hab den IRDA-Schaltplan schon mehrfach für Freunde/Familie umgesetzt und es funktionierte jedesmal wunderbar.
Tolle Sache das und nicht selbstverständlich bei heutiger Elektronik." schreibt Stephan Baron.

"Ich habe dazu das Layout so klein gemacht und angepasst, damit es in ein Standard-Conrad-Sub-D-Steckergehäuse passt.
Ne rote Displayscheibe zerschnibbelt und davorgeklebt.
PS/2 Verlängerungskabel halbiert = 2 x billige Stecker und PS/2-Slotblech vom Grabbeltisch, fertig."


André Haase kategorisiert seinen Infrarotport als "nicht schön, aber selten ;-)".


Dieser Infrarotport stammt von Alexander Sippl.


Jürgen Daum schreibt zu seinem Infrarotport: "Die Konstruktion mit dem TFDS4500 arbeitete auf Anhieb mit meinem Asus A7V133 einwandfrei. Mit Glättungsset und Kontroll LED über ein 2m Kabel mit 4pol MiniDIN Stecker - Buchse am Rechner angeschlossen. Als Vorwiderstand für die Low Current LED habe ich einen 2K Widerstand gewählt. Die Helligkeit reicht für Kontrollzwecke noch aus."
Vorher hatte er Probleme mit einem gekauften Modul von DFI.


"Ähnlich wie bei Thomas Blankenstein (siehe [Seite3]) habe ich eine freie Blende an der PC Front benutzt. Ich habe einen dreifach Festplatten-Lüfter von Conrad ein bißchen bearbeitet und mit dem IR-Port eingebaut.
Zuerst habe ich einen der drei Lüfter entfernt und das zugehörige Netz so zurechtgeschnitten, dass ein IR fenster von einer alten Fernbedinung reinpasst. Dahinter ist eure Platine in ein bearbeitetes Tic-Tac-Gehäuse mit Heißkleber eingeschweisst und von der Rückseite an die Lüfterblende geklebt." schreibt mir Pavel Volkov zu seinem Infrarotport.

"Das coole an dieser Lüfterblende ist, dass man vorn den Deckel per Knopfdruck aufmachen kann und diesen dann als Ablage benutzen kann."


Lasse Hoffmann hat seinen Infrarotport auf einer Streifenraster-Platine aufgebaut.

Dazu hat er diese geteilt, da das Raster ver vordernen und hinteren Beichchen des TFDS4500 um 1,27mm versetzt ist.

Eingebaut ist sein Infrarotport in einem 9-Pol-Sub-D-Gehäuse.


In das Gehäuse eines Inrarotempfängers von einer Infrarot-Tastatur hat Jens Kiesow seinen Infrarotport eingebaut: "Als Kabel hab ich ein altes PS2-Verlängerungskabel genommen"

Hier noch den Infrarotport beim Senden.


Da ich mittlerweile recht viele Bilder zugeschickt bekommen habe, habe ich diese auf 5 Seiten aufgeteilt:
[Seite1] [Seite2] [Seite3] [Seite4] [Seite5]

Ich danke allen, die mir Bilder geschickt haben.